MAGNA1 N este varianta din otel inoxidabil pentru aplicatii in care mediul pompat necesita acest lucru (de exemplu, apa calda menajera). Cu MAGNA1, treaba este facuta intr-un mod intuitiv si eficient.
Potrivit pentru:
- Aer conditionat cladiri comerciale
- Incalzire cladiri comerciale
- Recirculare apa calda menajera
- Incalzire domestica
- Racire centralizata
- Termoficare
- Incalzire industriala
Caracteristici:
Pompa de circulatie Grundfos MAGNA1 este optiunea simpla pentru o lucrare bine facuta. Cu o eficienta energetica ridicata, produsul respecta reglementarile EuP 2015, asigurand economii substantiale de energie electrica si cu interfata intuitiva, usor de utilizat si designul fara intretinere, MAGNA1 este pompa de circulatie ideala pentru nevoile de performanta de baza in aplicatiile in care sistemul de baza controlul si monitorizarea sunt dorite. Pompa nu necesita intretinere datorita designului tip rotor conservat.
MAGNA1 ofera posibilitatea monitorizarii pompei prin iesirea releului de eroare. Intrarea digitala de pornire / oprire controleaza de la distanta pompa. Pompa comunica fara fir cu aplicatia Grundfos GO Remote.
MAGNA1 poate functiona ca pompa principala atat in aplicatii de incalzire, cat si de racire, inclusiv:
- Amestecarea buclelor
- Suprafete de incalzire
- Suprafete de aer conditionat
- Sisteme de pompa de caldura de la sol
- Aplicatii de racire mai mici
MAGNA1 este o pompa monofazata si se caracterizeaza prin faptul ca controlerul si panoul de comanda sunt integrate in cutia de control. Carcasa pompei este disponibila atat in versiuni din fonta, cat si din otel inoxidabil. Cutia rotor compozita este armata cu fibra de carbon, placa portanta si placarea rotorului sunt din otel inoxidabil, iar carcasa statorului este din aluminiu. Electronica de putere este racita cu aer.
Pompa este echipata cu un motor sincron in 4 poli, cu magnet permanent (motor PM). Acest tip de motor este caracterizat de o eficienta mai mare decat un motor conventional asincron cu rotor in scurtcircuit. Viteza pompei este controlata de un convertor de frecventa integrat.
Specificatii tehnice:
Tehnic
- Inaltime de pompare max.: 40 dm
- Clasa TF: 110
- Approvals: CE, VDE, EAC, MOROCCO, UKCA, TSERCM, UkrSEPRO
- Model: C
Materiale
- Corpul pompei: Otel inoxidabil, EN 1.4308 (stator)
- Corpul pompei: ASTM 351 CF8
- Rotor: PES 30% GF
Instalatie
- Gama temperaturii ambientale: 0 - 40 °C
- Presiune de functionare maxima: 10 bar
- Evaluare presiune: PN 10
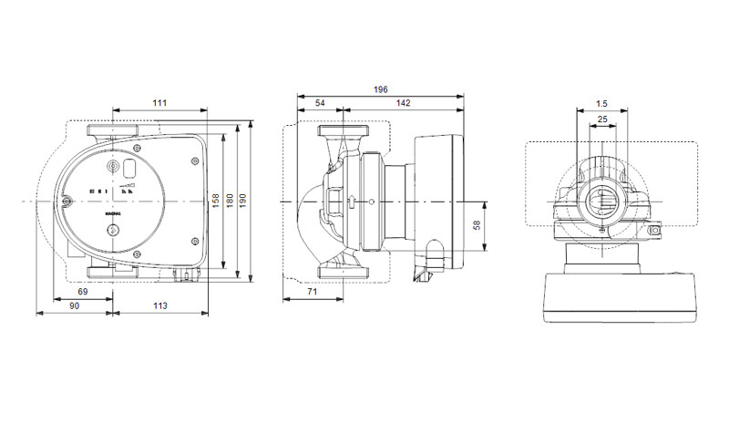
- Lungimea dintre porturi: 180 mm
Lichid
- Lichid pompat: Apa
- Gama temperaturii lichidului: -10 - 110 °C
- Temperatura lichidului in timpul functionarii: 60 °C
- Densitate: 983.2 kg/m³
Date electrice
- Putere de introdusa P1: 9 - 56 W
- Frecventa retelei electrice: 50 / 60 Hz
- Tensiune nominala: 1 x 230 V
- Curent consumat maxim: 0.09- 0.45 A
- Grad de protectie: X4D (IEC 34-5)
- Clasa de izolare: F (IEC 85)
Altele
- Energie: 0.20 (EEI)
- Greutate neta: 4.41 kg
- Greutate bruta: 4.9 kg
.jpg)
Ecomas face eforturi permanente pentru corectitudinea informatiilor din site. Fotografiile au caracter informativ si pot contine accesorii care nu sunt incluse in pachetul standard. Producatorul poate modifica fara preaviz unele specificatii ale produsului. Promotiile sunt valabile in limita stocului disponibil.