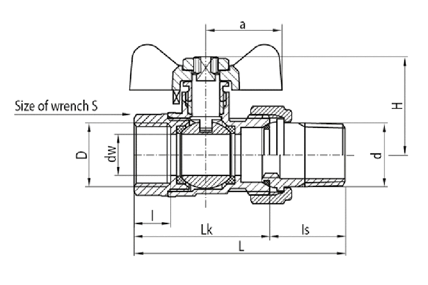
Robinet sferic, pasaj total, cu presetupă și fluture de aluminiu (versiunea cu racord olandez)

Robinetul de trecere cu bila Valvex Onyx cu racord olandez este realizat din alama nichelata, fiind destinat pentru utilizarea in instalatiile de apa si incalzire, cu functie de inchidere.
Acesta poate fi folosit in doua pozitii
- "complet deschis" sau "inchis", deschiderea sau inchiderea efectuandu.png)
- se prin miscarea manerului tip fluture.
Robinetul de trecere cu bila Valvex Onyx are filet tip interior - exterior cu dimensiunea racordului de 1/2 inch.
Specificatii tehnice
- Material Alama
- Diametru nominal (mm) 15
- Tip maner Fluture
- Presiune maxima de lucru (bar) 40
- Temperatura maxima de lucru (°C) 180
Date tehnice
|
1452440 |
1453440 |
1454440 |
1455440 |
| Dimensiuni |
1/2" |
3/4" |
1" |
1 1/4" |
| Parametrii de functionare |
PN 40, 180°C |
PN 40, 180°C |
PN 40, 180°C |
PN 40, 180°C |
| Greutatea neta |
0,184 |
0,281 |
0,461 |
0,775 |
Ecomas face eforturi permanente pentru corectitudinea informatiilor din site. Fotografiile au caracter informativ si pot contine accesorii care nu sunt incluse in pachetul standard. Producatorul poate modifica fara preaviz unele specificatii ale produsului. Promotiile sunt valabile in limita stocului disponibil.